Виртуальные собаки-терапевты оказались на удивление эффективным средством от стресса
Исследователи из кампуса Оканаган Университета Британской Колумбии и Университета Брока разработали методику терапевтических сеансов для снятия стресса в формате коротких видео. Главная...
Модифицированная кишечная палочка перерабатывает пластик в парацетамол
Инженеры-биологи из Эдинбургского университета предложили радикальный способ борьбы с пластиковыми отходами. Они вывели генно-модифицированный штамм бактерии E. Coli, который способен перерабатывать пластик...
У берегов Америки археологи нашли останки корабля «Endeavour» капитана Кука
Три года назад морские археологи Австралийского национального морского музея (ANMM) совместно с участниками Морского проекта Род-Айленда (RIMAR) подтвердили, что найденные в 2018...
Один укол препарата MariTide от Amgen в месяц снижает вес на 16 процентов
Американская фармкомпания Amgen представила новый препарат для борьбы с ожирением под названием MariTide. По итогам 2-й фазы клинических испытаний лекарство продемонстрировало впечатляющие...
Стрессовая работа с людьми повышает шансы развития диабета на 47 %
Исследователи из Каролинского института в Швеции выявили связь между риском развития диабета и работой, которая связана с постоянным стрессом от контакта с...
Ученые обнаружили корреляцию между тяжелыми металлами и развитием СДВГ у детей
Новое исследование подтвердило взаимосвязь между воздействием тяжелых металлов и развитием СДВГ у детей. Ученые из Университета Ровира-и-Вирхили (Испания) проанализировали влияние 15 различных...
Американская диета вызывает необратимое повреждение поджелудочной железы
Исследователи из шведского Каролинского института обнаружили опасное последствие западной или американской диеты. В ее основе лежит употребление большого количества жирной и сладкой...
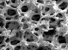
В Казани применили 4D-томографию для оценки пористых материалов
В Казанском федеральном университете приступили к применению экспериментальной 4D-рентгеновской компьютерной томографии в целях максимально точного анализа свойств изделий из пористых материалов, которые...
Странный конический череп из древнего захоронения озадачил ученых
В захоронении Чега Софла на территории современного Ирана найдены необычные останки – череп молодой девушки с конической формой. Возраст находки...
Потепление климата провоцирует резкий рост случаев апноэ и очень дорого обойдется мировой экономике
В новом исследовании ученые из австралийского Университета Флиндерса рассчитали, что количество случаев обструктивного апноэ во сне к концу столетия может удвоиться. Уже...













































